Tính năng INAX BFV-50S – Vòi sen cây nóng lạnh
- Thiết kế nhỏ gọn, sang trọng
- Lõi trộn bằng sứ Ceramic chịu nhiệt độ cao.
- Thân củ trộn sen và cây sen bằng đồng nguyên chất.
- Lớp mạ Crom/Niken siêu bền.
- Đầu xả sàn phun chống bắn nước trộn bọt khí.
- Bát sen cây cỡ lớn, toả nước đều
- Có thể điểu chỉnh khoảng cách củ trộn và cây sen.
Thông số kỹ thuật INAX BFV-50S – Vòi sen cây nóng lạnh
Đang cập nhật…
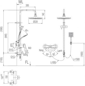
Bản vẽ kích thước INAX BFV-50S – Vòi sen cây nóng lạnh

Hình ảnh, video thực tế INAX BFV-50S – Vòi sen cây nóng lạnh
Đang cập nhật…



























