Tính năng INAX ACT-902 CW-KA22AVN – Bồn cầu thông minh nắp điện tử
Tính năng INAX ACT-902 – bồn cầu thông minh
- Dòng sản phẩm thuộc bộ sưu tập S200 mới nhất của thương hiệu INAX.
- Thiết kế trang nhã, phù hợp với phòng tắm hiện đại.
- Sử dụng công nghệ xả tự động không chạm, giúp hạn chế tiếp xúc và nguy cơ lây lan vi khuẩn trong quá trình sử dụng.
- Hỗ trợ hai chế độ xả: tự động cảm ứng từ xa và chế độ nhấn cơ.Dung tích xả 4,5 lít.
- Sử dụng nút cảm ứng để xả nước.
- Bộ điều khiển xả dựa trên pin AAA, có thể sử dụng để xả tới 30.000 lần, đảm bảo tuổi thọ và tiết kiệm năng lượng.
- Thiết kế RIMLESS giúp dễ dàng vệ sinh và ngăn chặn cặn bẩn cũng như ố vàng tích tụ ở các góc khuất.
- Sử dụng kiểu xả Powerful Vortex Flush, với hai cửa xả: Cửa chính đóng góp 65% lưu lượng nước để tạo dòng xoáy mạnh mẽ.Cửa phụ đóng góp 35% lưu lượng nước để cuốn đi vết bẩn và mảng bám.
- Sử dụng công nghệ tráng men Aqua Ceramic giúp bề mặt sứ ưa nước.Ngăn bám bẩn và đọng nước, duy trì bề mặt sứ trắng sáng trong thời gian dài, lên tới 100 năm.

Tính năng INAX CW-KA22AVN – Nắp bồn cầu thông minh
- Phun rửa tự động
- Hệ thống điều khiển từ xa
- Hệ thống máy hút khử sạch mùi hôi.
- Chức năng khí ấm sấy khô không cần dùng tới giấy vệ sinh
- 2 đầu phun: rửa đại và rửa phụ nữ
- Đầu phun có thể di chuyển tịnh tiến.
- Phun rửa massage.
- Tự động vệ sinh đầu vòi .
- Nozzle cover: tính năng giữ sạch 2 đầu phun tuyệt đối.
- Đầu vòi dễ dàng lắp đặt và vệ sinh.
- Nắp đóng êm hạn chế tiếng ồn.
- Nắp bệt được làm bằng vật liệu kháng khuẩn ag+.
- 6 mức điều chỉnh nhiệt độ sưởi ấm bệ ngồi.
- Có 6 mức điều chỉnh nhiệt độ nước .
- Tiết kiệm năng lượng điện và nước
- Tích hợp Rơ le nhiệt kiểm soát nhiệt độ nước.
- Chống giật ELCB sử dụng an toàn.
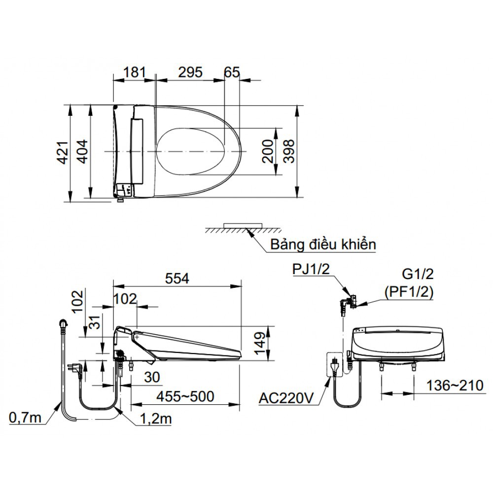
Bản vẽ kĩ thuật INAX ACT-902 CW-KA22AVN – Bồn cầu thông minh





















Đánh giá
Chưa có đánh giá nào.